Email Kami
Produk
Katup Pengalih Pneumatik TAC
  • Katup Pengalih Pneumatik TACKatup Pengalih Pneumatik TAC

Katup Pengalih Pneumatik TAC

Sebagai manufaktur profesional, OLK ingin memberi Anda TAC Pneumatic Toggle Valve. Dan OLK akan menawarkan layanan purna jual terbaik dan pengiriman tepat waktu.

TAC Pneumatic Toggle Valve (juga dikenal sebagai switch valve) adalah komponen switching presisi yang dirancang khusus untuk sistem pneumatik dan kontrol fluida. Dengan struktur kontrol tipe sakelar yang unik, ia mencapai peralihan cepat dan kontrol jalur fluida yang presisi.

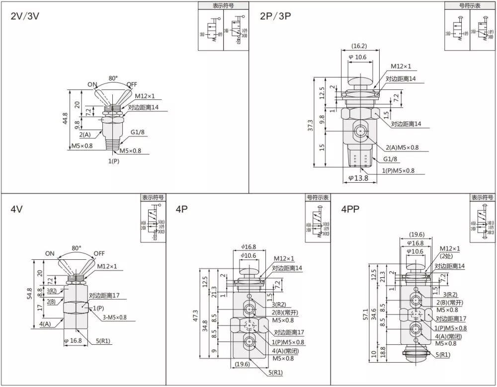
Katup pengalih seri TAC memiliki 2 posisi 2 arah, 2 posisi 3 arah dan 2 posisi 5 arah dapat dipilih. Berbagai jenis tuas dan dua jenis ulir: M5,G1/8.

Skenario aplikasi

Peralatan otomasi industri, pemrosesan mekanis, pemrosesan bahan bangunan, energi dan pertambangan, industri makanan dan minuman, peralatan medis, dll.

Fitur Produk

Ukurannya kecil, memerlukan sedikit ruang pemasangan, dan intuitif untuk dioperasikan secara manual, sehingga cocok untuk skenario yang memerlukan peralihan sering.

Simbol dan kerangka katup pengalih TAC

Kode pemesanan

TAC

2

__

2

P

 

 

 

 

 

Katup pengalih seri TAC

 

 

2:2 posisi 2 arah (M5)

P:Jenis tombol tekan-tarik

 

 

 

3:2 posisi 3 arah (M5)

V: tipe tuas tangan

 

 

 

Kekuatan 4:2 5 arah (M5)

PP:Tombol tarik ganda

 

 

 

31:2 posisi 3 arah (G1/8)

 

 

 

 

41:2 kekuatan 5 arah (G1/8)

 

 

Model

Ukuran pelabuhan

 

Nomor
Posisi

Efektif  
luas penampang

Rentang Tekanan

Fluida Kerja

Ambien
Suhu

 

TAC-2V

Saluran Masuk=Keluar=M5   

2 Posisi 2 Arah

1.9mm²

0,05 ~ 0,9PPA

Udara

0~60

TAC-2P

Saluran Masuk=Keluar=M5   

2 Posisi 2 Arah

1.9mm²

Tac-3V

Saluran Masuk=Keluar=M5   

2 Posisi 3 Arah

1.9mm²

Tac-3p

Saluran Masuk=Keluar=M5   

2 Posisi 3 Arah

1.9mm²

Tac-4V

Saluran Masuk=Keluar=M5   

2 Posisi 5 Arah

1.9mm²

TAC-4P

Saluran Masuk=Keluar=M5   

2 Posisi 5 Arah

1.9mm²

4PP

G1/8

 

2 Posisi 5 Arah

4,5mm²

TAC2-31V

Saluran Masuk=Keluar=Knalpot=G1/8   

2 Posisi 3 Arah

4,5mm²

TAC2-31P

Saluran Masuk=Keluar=Knalpot=G1/8   

2 Posisi 3 Arah

4,5mm²

TAC2-41V

Saluran Masuk=Keluar=G1/8   Knalpot=M5

2 Posisi 5 Arah

4,5mm²

TAC2-41P

Saluran Masuk=Keluar=G1/8   Knalpot=M5

2 Posisi 5 Arah

4,5mm²

TAC2-41PP

Saluran Masuk=Keluar=G1/8   Knalpot=M5

2 Posisi 5 Arah

4,5mm²

Pertanyaan Umum:

Apa perbedaan antara katup pengalih dan katup mekanis?

Hal ini dapat membedakan katup pengalih dan katup mekanis berdasarkan jenis kontrol: Katup pengalih adalah jenis penahan tuas yang disematkan, katup mekanis adalah jenis tombol tekan-tarik atau jenis rol

 

Apa perbedaan antara katup pengalih dan katup lainnya?

Kontrol presisi: katup pengalih mencapai pengaturan aliran halus melalui inti katup berbentuk kerucut, yang cocok untuk kontrol presisi pada pipa berdiameter kecil, sedangkan katup bola lebih cocok untuk operasi pembukaan dan penutupan cepat.

Tag Panas: Katup Pengalih Pneumatik TAC, Cina, Produsen, Pemasok, Pabrik
mengirimkan permintaan
Info kontak
Selamat datang di website kami! Untuk pertanyaan tentang produk atau daftar harga kami, silakan tinggalkan email Anda kepada kami dan kami akan menghubungi Anda dalam waktu 24 jam.
Surel
cici@olkptc.com
Seluler
+86-13736765213
Alamat
Jalan Zhengtai, Kawasan Industri Xinguang, Liushi, Yueqing, Wenzhou, Zhejiang, Cina.
X
Kami menggunakan cookie untuk menawarkan Anda pengalaman penelusuran yang lebih baik, menganalisis lalu lintas situs, dan mempersonalisasi konten. Dengan menggunakan situs ini, Anda menyetujui penggunaan cookie kami. Kebijakan Privasi
Menolak Menerima