Email Kami
Produk
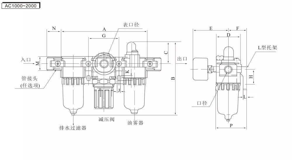
Unit FRL AC Tipe SMC
  • Unit FRL AC Tipe SMCUnit FRL AC Tipe SMC
  • Unit FRL AC Tipe SMCUnit FRL AC Tipe SMC
  • Unit FRL AC Tipe SMCUnit FRL AC Tipe SMC

Unit FRL AC Tipe SMC

Model:AC2000-02
Unit FRL AC Tipe SMC (Filter-Regulator-Lubricator) adalah komponen dasar pneumatik yang mengintegrasikan filtrasi sumber udara, pengurangan dan pengaturan tekanan, serta perawatan pelumasan. Unit ini menyediakan udara bertekanan yang bersih, stabil, dan terlumasi untuk sistem pneumatik, sehingga memperpanjang masa pakai komponen pneumatik dan meningkatkan stabilitas sistem. Unit FRL Seri AC OLK bertindak sebagai "penjaga" penting sistem pneumatik modern.
  • Brand:

    OLK
  • Type:

    SMC TYPE AC SERIES
  • Port size:

    PT1/8 ; PT1/4 ; PT3/8 ; PT1/2 ; PT3/4 ; PT1
  • Filter Material:

    Copper filter

Fitur & Desain Unit FRL AC Tipe SMC:

Penyesuaian Penguncian Mandiri: Dilengkapi mekanisme penguncian otomatis tekanan. Setelah tekanan yang diinginkan diatur, cukup tekan kenop ke bawah untuk menguncinya. Hal ini mencegah perubahan tekanan yang disetel karena getaran eksternal atau kontak yang tidak disengaja.

Drainase Serbaguna: Tersedia dalam opsi Pengurasan Manual dan Pengurasan Otomatis untuk menyesuaikan dengan kondisi pengoperasian yang berbeda. Mangkuk transparan memudahkan pemantauan ketinggian air.

Pengukur Presisi Tinggi: Dilengkapi dengan pengukur tekanan presisi tinggi untuk pembacaan yang jelas dan akurat serta pemantauan tekanan sistem secara real-time.

Pemberitahuan Unit FRL AC Tipe SMC:

Periksa Arah Aliran: Harap verifikasi arah aliran udara sebelum pemasangan! Terdapat tanda arah aliran (Panah atau IN/OUT) di bagian atas badan katup. Ikuti dengan ketat indikator-indikator ini untuk pemasangan. Pemasangan secara terbalik akan menyebabkan kegagalan fungsi atau kebocoran.

Perawatan Reguler: Periksa ketinggian air dalam mangkuk secara teratur dan tiriskan jika menggunakan tipe pembuangan manual. Isi ulang oli pelumas bila hampir habis (disarankan Oli Turbin ISO VG32).

Simbol Unit FRL AC Tipe SMC:

Kode pemesanan

AC

2000

-

02

-

D

Kode seri

Ukuran cangkang

 

Ukuran pelabuhan:

 

Metode Pembuangan

AC:Unit FRL AC Tipe SMC

1000

 

M5:M5

 

Kosong: Tiriskan Manual

 

2000

 

02:1/4

 

A: Pembuangan Tekanan Diferensial

 

3000

 

03:3/8

 

D: Pengurasan otomatis

 

4000

 

04:1/2

 

 

 

5000

 

06:3/4

 

 

 

 

 

10:1

 

 

 

Tekanan bukti

1,5 Mpa(15,3kgf/cm³)

Maks. Tekanan kerja

1,0Mpa(10,2kgf/cm³)

Suhu lingkungan dan cairan

5-60℃

Filter bukaan

5μm

Minyak

ISOVG32

Bahan cangkir

komputer

Kap cangkir

AC1000-2000(TANPA) AC3000-5000 (DENGAN)

Rentang pengaturan tekanan

AC1000:0,05-0,7 Mpa (0,51-7,1 kgf/cm³)

AC2000-5000:0,05-0,085 Mpa(0,51-8,7 kgf/cm³)

Seri lubang pengukur tekanan


seri 2000

3000 seri

4000 seri

5000 seri

AW

1/8

1/4

AC

Br

1/4

-

BFC

-

Langkah-langkah pemasangan Unit FRL AC Type SMC :

Pertama, pasang sambungan dengan pita PTFE yang dibungkus dan pengukur tekanan

2. Ikuti arah panah: sisi kiri adalah saluran masuk udara, dan sisi kanan adalah saluran keluar udara

3. Hubungkan selang udara ke masing-masing fitting di kedua ujungnya

4. Angkat mur pengatur tekanan ke atas dan putar untuk mengatur tekanan; memutar searah jarum jam meningkatkan aliran udara, sedangkan memutar berlawanan arah jarum jam mengurangi aliran udara

5. Sesuaikan tekanan udara yang diinginkan, lalu tekan mur penyetel ke bawah untuk mengunci udara

6. Jika bahan bakar diperlukan, kendurkan sekrup pada kapal tangki

7. Tuang oli perawatan pneumatik atau oli turbin ke dalam saluran masuk oli (pastikan oli pneumatik tidak melebihi garis ketinggian oli yang tertera pada cangkir)

8. Setelah mengisi oli pneumatik, kencangkan mur dengan kunci pas Allen

9. Sesuaikan suplai oli dengan memutar: searah jarum jam meningkatkan aliran oli, berlawanan arah jarum jam menurunkannya


Tipe Saluran Air

Prinsip Kerja

Lingkungan Aplikasi

Keuntungan

Kekurangan

Tiriskan Manual

Air yang terakumulasi dalam mangkuk filter dibuang dengan memutar atau menekan katup pembuangan secara manual secara berkala. Selesainya drainase sepenuhnya bergantung pada pengoperasian manual.

Sistem atau aplikasi sederhana dengan kebutuhan drainase yang jarang.

Struktur sederhana, tingkat kegagalan rendah, tidak diperlukan perawatan tambahan.

Mengandalkan operasi manual; mudah untuk melupakan pengurasan. Akumulasi air yang berlebihan dapat mempengaruhi kinerja filtrasi.

Pembuangan Tekanan Diferensial

Menggunakan perbedaan tekanan sebelum dan sesudah filter. Ketika akumulasi kondensat meningkat dan perbedaan tekanan mencapai nilai yang telah ditentukan, saluran pembuangan akan terbuka secara otomatis. Ini menutup kembali setelah perbedaan tekanan kembali normal. Beroperasi hanya ketika ada tekanan dan aliran udara.

Lingkungan dengan pasokan udara yang stabil dan kondisi pengoperasian yang sederhana, sehingga pengoperasian manual tidak nyaman.

Tidak diperlukan catu daya. Drainase otomatis, lebih andal dibandingkan drainase manual.

Membutuhkan tekanan udara yang stabil. Kinerja drainase menjadi terbatas selama penghentian yang lama atau ketika tidak ada perbedaan tekanan.

Tiriskan Otomatis

Menggunakan mekanisme pelampung atau pengatur waktu. Ketika kondensat mencapai tingkat tertentu, saluran pembuangan terbuka secara otomatis

Jalur dan sistem produksi otomatis dengan persyaratan kualitas udara bertekanan tinggi.

Kinerja drainase paling tepat waktu dan stabil.

Biaya yang relatif lebih tinggi.


AFQ:

Mengapa disebut AC FRL?

AF (Filter Udara) + AR (Katup Pengatur Tekanan) + AL (Pelumas Kabut Oli) = AC Triple Unit


Metode koneksi yang disarankan

Kompresor udara -- Prosesor sumber udara -- Komponen kontrol -- Aktuator


Apa yang harus saya lakukan jika tutup pelindung gelas plastik sering mudah pecah?

Beberapa pelanggan seringkali menemukan gelas plastik retak bukan karena tekanan melainkan karena bahannya. Gelas plastik tidak tahan terhadap lingkungan tertentu, sehingga gelas logam menjadi alternatif yang lebih baik dalam kondisi tertentu


Bagaimana cara memperpanjang masa pakai silinder katup solenoid?

Menggunakan filter dapat menghilangkan kelembapan dan kotoran dari udara, secara efektif mengurangi kerusakan akibat gesekan pada piston dan cincin penyegel. Pelumas dapat digunakan untuk menambahkan oli turbin, yang kemudian dibawa oleh udara untuk melumasi piston silinder dan cincin penyegel. Pengatur tekanan dapat mengatur tekanan udara masuk, sehingga semakin meningkatkan efisiensi kerja


Elemen filter untuk OLK terbuat dari bahan apa?

OLK menggunakan elemen filter tembaga dengan akurasi filtrasi 25μm, sedangkan elemen filter fiber biasa hanya memiliki akurasi 5μm. Elemen filter presisi tinggi dapat secara efektif menghilangkan kotoran dan kelembapan dari gas, memastikan udara keluaran kering dan bebas kontaminan


Tag Panas: Unit FRL AC Tipe SMC, Cina, Produsen, Pemasok, Pabrik
mengirimkan permintaan
Info kontak
Selamat datang di website kami! Untuk pertanyaan tentang produk atau daftar harga kami, silakan tinggalkan email Anda kepada kami dan kami akan menghubungi Anda dalam waktu 24 jam.
Surel
cici@olkptc.com
Seluler
+86-13736765213
Alamat
Jalan Zhengtai, Kawasan Industri Xinguang, Liushi, Yueqing, Wenzhou, Zhejiang, Cina.
X
Kami menggunakan cookie untuk menawarkan Anda pengalaman penelusuran yang lebih baik, menganalisis lalu lintas situs, dan mempersonalisasi konten. Dengan menggunakan situs ini, Anda menyetujui penggunaan cookie kami. Kebijakan Privasi
Menolak Menerima